砖型尺寸:全砖
输入电压范围:400-750V
具备均流功能,禁止/使能控制
输出过流/短路/过压保护,输入欠压保护,过温保护

注:
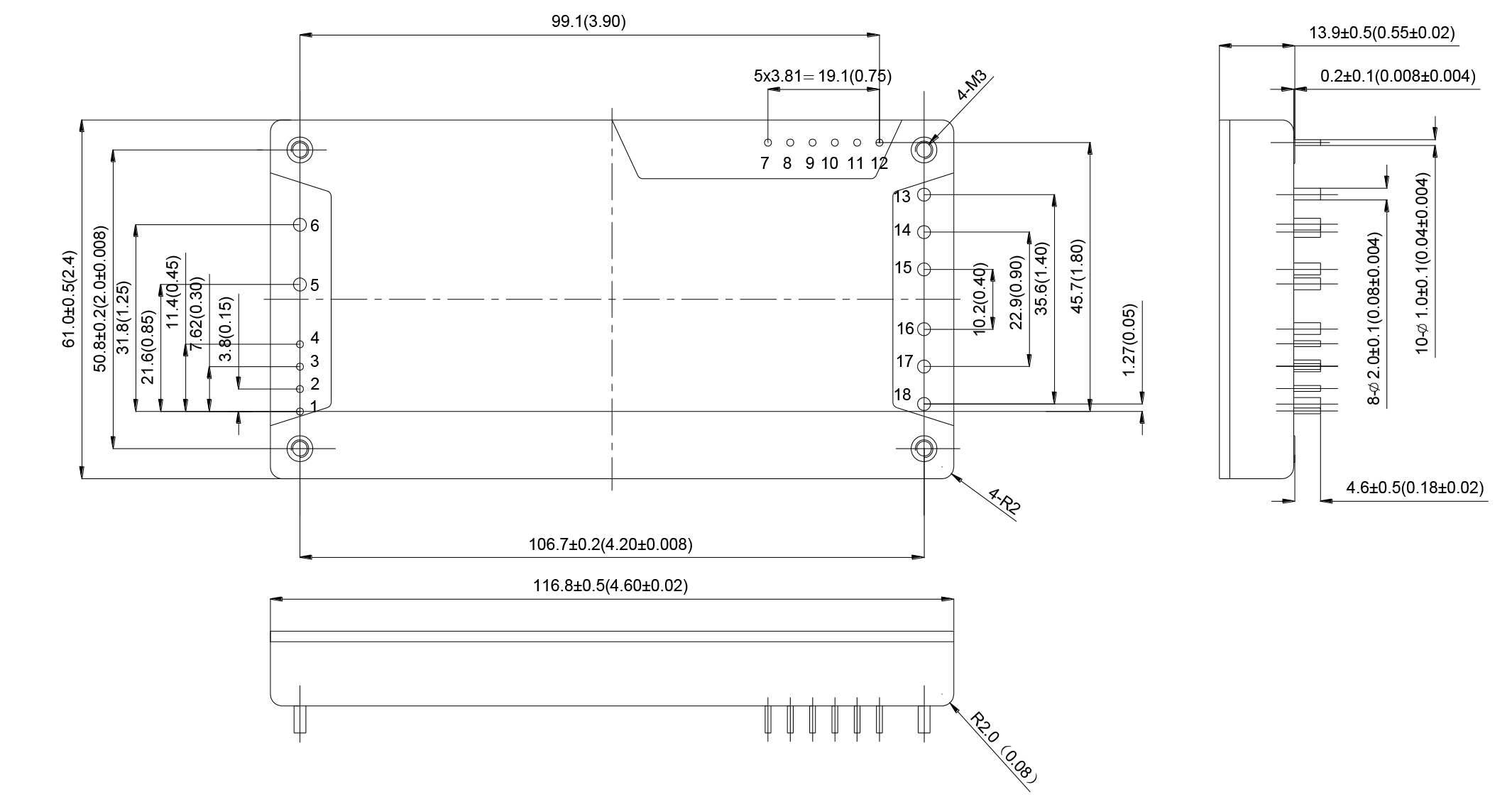
1. 底板材料:铝板+塑胶外壳
2. 引脚 1-4/7-12 直径为 1.0mm(0.04in)
3. 其它引脚直径均为 2.0mm(0.08in)。
4. 未注公差:x.x±0.5mm(±0.02 in),x.xx±0.25mm(±0.01in)
| 产品系列 | 封装尺寸 (mm) |
功率 (W) |
输入电压 | 输出电压 (Vdc) |
最大输出电流 (A) |
效率 (%) |
产品型号 | 规格书下载 |
|---|---|---|---|---|---|---|---|---|
| VI系列 | 全砖 | 1000 | 400-750 | 28 | 35.7 | 93.5 | VI1000F600S28TSNL |